鎧裝熱電偶通常和顯示儀表、記錄儀表等配套使用。直接測量各種生產過程中的0~1300℃范圍內液體、蒸汽和氣體介質以及固體表面溫度。
鎧裝熱電偶特點
●熱響應時間少,減小動態誤差;
●可彎曲安裝使用;
●測量范圍大;
●機械強度高,耐壓性能好。
鎧裝熱電偶工作原理
鎧裝熱電偶的兩根電極由不同導體材質組成。當測量端與參比端存在溫差時,就會產生熱電動勢,工作儀表便顯示出熱電動勢所對應的溫度值。
主要技術參數
●產品執行標準
IEC584 IEC1515 GB/T16839-1997 JB/T5582-91
●常溫絕緣電阻
鎧裝偶在環境溫度為20±15℃,相對濕度不大于80%,試驗電壓為500±50V(直流)電極與外套管之間的絕緣電阻≥1000MΩ.m。即1m長的試樣的絕緣電阻為1000MΩ;10m長的試樣的絕緣電阻為100MΩ。
測溫范圍及允差 |
|

|
測溫范圍及允差 |
|
| 型號 | 分度號 | 允許誤差與偶材等級 | | I級 | II級 | | 允差值 | 測溫范圍℃ | 允差值 | 測溫范圍℃ | | WRNK | K | ±1.5℃ | -40~+375 | ±2.5℃ | -40~+333 | | ±0.004│t│ | 375~1000 | ±0.0075│t│ | 333~1200 | | WRMK | N | ±1.5℃ | -40~+375 | ±2.5℃ | -40~+333 | | ±0.004│t│ | 375~1000 | ±0.0075│t│ | 333~1200 | | WREK | E | ±1.5℃ | -40~+375 | ±1.5℃ | -40~+333 | | ±0.004│t│ | 375~800 | ±0.004│t│ | 333~900 | | WRFK | J | ±1.5℃ | -40~+375 | ±1.5℃ | -40~+333 | | ±0.004│t│ | 375~750 | ±0.004│t│ | 333~750 | | WRCK | T | ±1.5℃ | -40~+125 | ±1℃ | -40~+333 | | ±0.004│t│ | 125~350 | ±0.0075│t│ | 133~350 | | WRPK | S | ±1℃ | 0~+1100 | ±2.5℃ | 0~600 | | ±[1+0.003(t-1100)] | 1100~1600 | ±0.0025│t│ | 600~1600 |
|
|
|
測溫范圍及允差 |
|
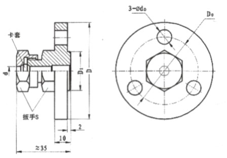
代號和尺寸 | 鎧裝偶外徑 | Φ8 | Φ6 | Φ5 | Φ4 | Φ3 | Φ2 | M | M16×1.5 | M12×1.5 | S | 22 | 19 |
|
|
代號和尺寸 | 鎧裝偶外徑 | Φ8 | Φ6 | Φ5 | Φ4 | Φ3 | Φ2 | D | Φ60 | Φ50 | D0 | Φ42 | Φ36 | D1 | Φ24 | Φ20 | S | 22 | 19 | d0 | Φ9 | Φ7 |
|
|
|
鎧裝熱電偶推薦使用溫度 |
|
品種 | 套管材料 | 外徑(mm) | 使用溫度(℃) | 長期使用溫度 | 短期使用溫度 | 鎧裝鎳鉻-鎳硅 | 1Cr18Ni9Ti | 2.0 | 600 | 700 | 3.0,4.0,5.0,6.0,8.0 | 800 | 900 | GH3030 | 2.0,3.0 | 800 | 900 | 4.0,5.0 | 900 | 1000 | 6.0,8.0 | 1000 | 1100 | 鎧裝鎳鉻硅-鎳硅 | 1Cr18Ni9Ti | 2.0 | 600 | 700 | GH3030 | 3.0,4.0,5.0,6.0,8.0 | 800 | 900 | 2.0,3.0 | 900 | 1000 | 4.0,5.0 | 1000 | 1100 | GH3039 | 6.0.8.0 | 1100 | 1200 | 2.0,3.0,4.0 | 1000 | 1100 | 5.0.6.0.8.0 | 1100 | 1200 | 鎧裝鎳鉻-銅鎳 | 1Cr18Ni9Ti | 2.0 | 500 | 600 | 3.0.4.0.5.0 | 600 | 700 | 6.0.8.0 | 700 | 800 | 鎧裝鐵-銅鎳 | 1Cr18Ni9Ti | 2.0 | 400 | 500 | 3.0.4.0.5.0 | 500 | 600 | 鎧裝銅-銅鎳 | 1Cr18Ni9Ti | 6.0.8.0 | 600 | 700 | 2.0,3.0.4.0.5.0 | 250 | 300 | 鎧裝鉑銠10-鉑 | GH3039 | 6.0.8.0 | 300 | 350 | 2.0.3.0.4.0. 5.0.6.0.8.0 | 1000 1100 | 1100 1200 |
|
附加裝置形式 |
|
|
包箍式 | 導熱塊式 |
型號命名方法 |
|
W | 溫度儀表 |
|
| | | | | | | | | | | | | | | | | | | | | | | | | | | | | | | | | | | | | | | | | | | | | | | | | |
| R | 熱電偶 |
|
| | | | | | | | | | | | | | | | | | | | | | | | | | | | | | | | | | | | | | | | | | | | | | | | | 感溫元件材料 分度號 | M N E F C P Q R | 鎳鉻硅-鎳硅 N 鎳鉻-鎳硅 K 鎳鉻-銅鎳 E 鐵-銅鎳 J 銅-銅鎳 T 鉑銠10-鉑 S 鉑銠13-鉑 R 鉑銠30-鉑6 B | | | | | | | | | | | | | | | | | | | | | | | | | | | | | | | | | | | | | | | K | 鎧裝式 | | | | | | | | | | | | | | | | | | | | | | | | | | | | | | | | | |
| | 偶絲對數 | 無 2 | 單支 雙支 | | | | | | | | | | | | | | | | | | | | | | | | | | | | | | | | |
| 安裝固定形式 | 1 2 3 4 5 | 無固定裝置 固定卡套螺紋 活動卡套螺紋 固定卡套法蘭 活動卡套法蘭 | | | | | | | | | | | | | | | | | | | | | | | | | | | 接線盒形式 | 2 3 6 7 8 9 | 防噴式 防水式 圓接插式 扁接插式 手柄式 補償導線式 | | | | | | | | | | | | | | | | | | | 工作端形式 | 1 2 | 絕緣式 接殼式 | | | | | | | | | | | | | | | | 附加裝置形式 | M G | 接觸塊式 包箍式 | | | | | | | | | | | | |
| W | R | N | K | 2 - | 2 | 3 | 1 | M | 典型型號示例 |
|
|
選型須知 |
|
1)型號 2)分度號 3)精度等級 4)安裝固定形式 5)保護管材質 6)長度或插入長度 例A:鎧裝熱電偶,K型,Ⅰ級,固定卡套螺紋,保護管GH3030,長度450mm,插入長度300mm,WRNK-231,K,L×l=450×300,Ⅰ級, 保護管GH3030。 |
|
型號及規格 |
感溫元件 名稱 | 型號 | 分度號 | 規格 | 工作端形式 | | d | L1 | 單支鉑銠10-鉑 | WRPK-101 | S | | 75 100 150 200 250 300 400 500 750 1000 2000 3000 4000 5000 7500 10000 15000 20000 25000 | 絕緣式 | | WRPK-102 | 接殼式 | 雙支鉑銠10-鉑 | WRPK2-101 | 絕緣式 | | WRPK2-102 | 接殼式 | 單支鎳鉻硅-鎳硅 | WRMK-101 | N | 絕緣式 | | WRMK-102 | 接殼式 | 雙支鎳鉻硅-鎳硅 | WRMK2-101 | 絕緣式 | | WRMK2-102 | 接殼式 | 單支鎳鉻-鎳硅 | WRNK-101 | K | 絕緣式 | | WRNK-102 | 接殼式 | 雙支鎳鉻-鎳硅 | WRNK2-101 | 絕緣式 | | WRNK2-102 | 接殼式 | 單支鎳鉻-鎳硅 | WREK-101 | E | 絕緣式 | | WREK-102 | 接殼式 | 單支鎳鉻-銅鎳 | WREK2-101 | 絕緣式 | | WREK2-102 | 接殼式 | | 單支銅-銅鎳 | WRCK-101 | T | 絕緣式 | | WRCK-102 | 接殼式 | | 雙支銅-銅鎳 | WRCK2-101 | 絕緣式 | | WRCK2-102 | 接殼式 | 單支鐵-銅鎳 | WRFK-101 | J | 絕緣式 | | WRFK-102 | 接殼式 | 雙支鐵-銅鎳 | WRFK2-101 | 絕緣式 | | WRFK2-102 | 接殼式 |
| |
|